

产品展示
| 机械技术指标 | |||
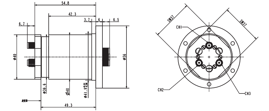
| CHI | CH2 | CH3 | |
| 接口类型 | SMA-f | SMA-f | SMA-f |
| 频率范围 | DC-18GHz | DC-5GHz | DC-5GHz |
| 峰值功率(max) | 200W | 200W | 200W |
| 平均功率(max) | 30W@1GHz | 30W@1GHz | 30W@1GHz |
| 电压驻波比(max) | 1.4 | 1.5 | 1.5 |
| 电压驻波比浮动值(max) | 0.05 | 0.1 | 0.1 |
| 插入损耗(max) | 0.5dB | 0.7dB | 0.7dB |
| 插入损耗浮动值(max) | 0.1dB | 0.15dB | 0.15dB |
| 隔离度(min) | 50dB | ||
| 防护等级 | IP64 | ||
| 使用寿命(min) | 500万转 | ||
| 转速(max) | 30 转 / 分钟 | ||
| 型号 | 频率范围(GHz) | 通道数 | 驻波 | 射频接口 | 插损(dB) | 功率(W) |
| HRJ-100 | DC-18GHz | 1 | 1.25 | SMA-f | 0.5 | 100 |
注:如需详细选型表请联系客服获取。