

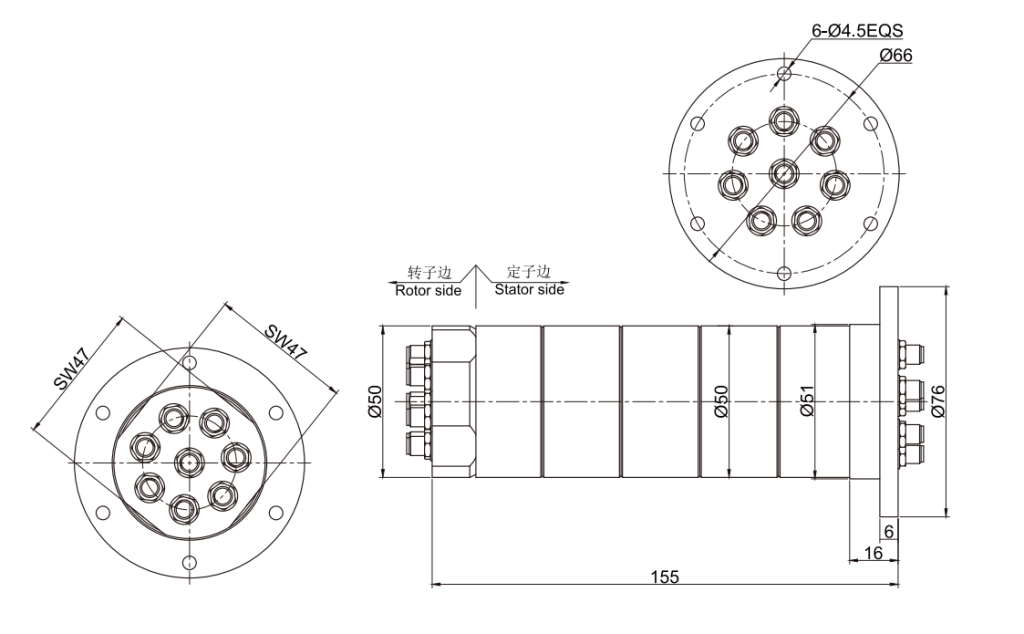
产品展示| 机械部分参数 | |||
| 参数 | 数值 | 参数 | 数值 |
| 最大转速 | 60RPM | IP保护级别 | IP65 |
| 工作寿命(最小值) | 500万转 | 材料 | 铝合金 |
| 扭力 | ≤0.5N.M | 湿热 | GJB150.9A-2009 |
| 工作温度 | -40°C~ + 65°C | 振动 | GJB150.16A-2009 |
| 储存温度 | -50°C~ + 70°C | 冲击 | GJB150.18A-2009 |
| 储存温度 | 95% | ||
| 射频通道部分参数 | ||||||||
| 通道 | 1 | 2 | 3 | 4 | 5 | 6 | 7 | 8 |
| 频率范围 | 0~8Ghz | 0~8Ghz | 0~8Ghz | 0~6Ghz | 0~6Ghz | 0~6Ghz | 0~6Ghz | 0~6Ghz |
| 接口 | SMA-F(50Ω) | SMA-F(50Ω) | SMA-F(50Ω) | SMA-F(50Ω) | SMA-F(50Ω) | SMA-F(50Ω) | SMA-F(50Ω) | SMA-F(50Ω) |
| 平功功率(最大值) | 10W | 10W | 10W | 10W | 10W | 10W | 10W | 10W |
| 驻波比(最大值) | 1.5dB | 1.5dB | 1.6dB | 1.6dB | 1.6dB | 1.6dB | 1.6dB | 1.6dB |
| 驻波比波动(最大值) | 0.1dB | 0.1dB | 0.1dB | 0.1dB | 0.1dB | 0.1dB | 0.1dB | 0.1dB |
| 插入损耗(最大值) | 1.4dB | 1.4dB | 1.5dB | 1.5dB | 1.5dB | 1.5dB | 1.5dB | 1.5dB |
| 插入损耗波动 | 0.15dB | 0.15dB | 0.15dB | 0.15dB | 0.15dB | 0.15dB | 0.15dB | 0.15dB |
| 隔离度(最小值) | 70dB | 70dB | 70dB | 70dB | 70dB | 70dB | 70dB | 70dB |
| 标准图纸 |
